罗茨风机属于容积式回转风机,主要的动力来源为电机、柴油机或者电机柴油混合式, 选型的主要参数有风量、压力、转速、电机功率等,今天要和大家分享的知识是其工作原理,该文会从罗茨风机的结构形式、工作原理、注意事项等方面,为大家详细讲解罗茨风机的工作原理。
1、结构形式
一台普通的三叶罗茨风机,主要由两部分构成:驱动机和机头,驱动机是风机的动力来源,可以是电机也可以是柴油机,机头是罗茨风机的主要工作组件,通过有规律的运转,以达到气体输送的目的。
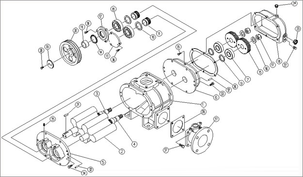
想要了解罗茨风机的工作原理,必须对罗茨风机的机头结构有充分的了解,机头的主要组成部分有:墙板、机壳、主动叶轮、从动叶轮、主动从动齿轮、主副油箱、轴承等,为了大家对罗茨风机的结构有清洗的认知,小编特意整理了一份结构图供大家参考,如下所示:
2、工作原理
罗茨风机有两个叶轮(图二,圈中部分),在电机带动下,两个叶轮会相向转动,当叶轮转过进气口之后,两个叶轮和墙板及机壳之间会形成一个密封的腔室,叶轮继续转动,密封腔室里面的空气会被压入排气口,如此反复经过进气口和排气口,将外界空气输送至目的地。
叶轮与叶轮、叶轮与墙板、叶轮与机壳之间会存在一定的间隙,该间隙有固定标准和误差,误差过大会产生其他相应的故障问题。在叶轮经过排气口时,在管道前方压力的作用下,会将部分气体通过间隙泄漏至外界,这样的泄漏,我们称之为内泄漏。
罗茨风机的具体的工作原理流程请看下图:
3、注意事项
罗茨风机属于容积式风机,所以,在运转起来之后,风量基本不会发生变化,当前方压力稍有变化时,也能够持续进行空气输送。
在长期使用之后,罗茨风机的风量会发生变化,多为风量减小,引起的主要原因是:叶轮与叶轮间隙、叶轮与墙板间隙、叶轮与机壳间隙发生了变化,造成内泄漏增大,进而影响罗茨风机的风量。
为了保证罗茨风机正常工作运转,风机的其他组件也起到了非常重要的作用,如:轴承、齿轮等,配合工作的组件出现了异常故障,对风机的运转也会造成很大的影响。所以,后期使用维护中,不仅要对重要组件进行细致维护,其他的配合组件也要定期进行养护!

罗茨鼓风机的工作原理很简单,辅助一些图片,我们能够对其工作原理有清洗的认知,在理解罗茨风机的工作原理时,首先要掌握其基本结构,然后再去掌握其运转原理,这样就能够很好的掌握罗茨风机的工作原理了。
山东凯时尊龙官网网址有限公司
山东凯时尊龙官网网址有限公司
地址:山东省章丘市经济开发区
电话:0531-83825699
传真:0531-83211205
24小时销售服务电话:15066131928
